咨询热线
189-189-61606
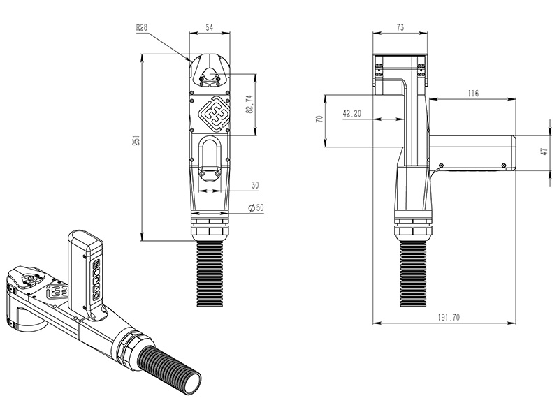
产品名称:换热器U型管焊机
产品型号:MWH-16AJSG
焊接方式:自熔
产品特点:小巧轻便、个性定制
保护方式:氩气和循环水冷
焊枪重量:2KG
189-189-61606

1.应用行业:换热器、制冷行业;
2.适用范围:不锈钢、碳钢等材质的热交换器U形管焊接;
3.本设备与MWA-200一体化控制电源配套使用;
4.焊接形式:插接
5.质保期:壹年。
1.专为换热器U形管焊接定制专机;
2.焊枪内部全身水冷,提升焊枪暂载率;
3.焊枪采用多路气体保护,提高焊接品质;
4.一个人可同时操作2台焊枪,简单便捷;
5.采用气缸压紧装置,提高生产效率;
6.采用进口核心部件及材料,耐用、可靠、安全、精密。

| 适合管径 | Φ12.7mm-Φ16mm | 冷却方式 | 循环水冷 |
| U形管中心距 | ≥38mm | 外形尺寸 | 189mm×58mm×223mm |
| 适用材质 | 不锈钢, 碳钢 | 焊枪重量 | 2KG |
| 钨极直径 | Φ1.3mm | 适配电源 | MWA-200 |
| 保护气体 | 氩气 |
| 序号 | 名称 | 规格 | 单位 | 数量 | 备注 |
| 1 | 换热器U型管焊机 | MWH-16AJSG | 把 | 1 | 标配 |
| 2 | 一体化控制电源 | MWA-200 | 台 | 1 | 标配 |
| 3 | 钨针 | Ф1.6mm×150mm | 支 | 1 | 标配 |
| 4 | 钨针靠模 | 定制 | 件 | 1 | 标配 |
| 5 | 专用扳手 | 定制 | 把 | 1 | 标配 |
| 6 | 钨针磨削机 | 定制 | 台 | 1 | 选配 |
| 7 | 平口机 | 定制 | 台 | 1 | 选配 |

钨针

平口机

钨针磨削机



定制服务
美焊专注管焊设备研发与制造,与焊研所及各大专院校建立了长期科研合作,可为各个领域的管焊设备进行定向开发与制造。
快速响应
美焊设立即时响应机制,技术人员可随时随地为您解答操作过程中的问题,邮件咨询内容,我们承诺24小时内进行恢复。
操作指导
针对每位客户,我们都会安排技术人员进行现场操作培训,每台设备也都会配备标准的操作培训指导书,以供查阅。
定期维保
所有设备均质保一年,且 提供定期维保服务,通过保养降低设备耗损,节省设备维修成本及运营成本。