咨询热线
189-189-61606
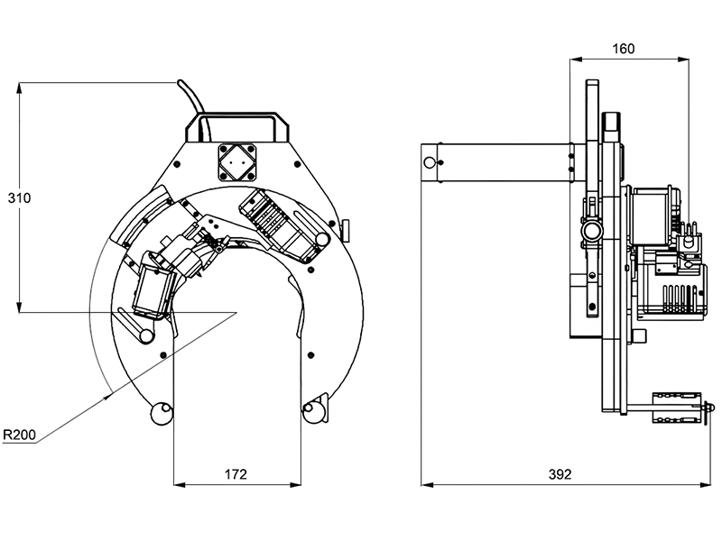
产品名称:开放式管管自动焊机
产品型号:MWG-170
焊接方式:自熔或填丝
产品特点:壁厚2-25mm,V型坡口,单面焊双面成型
保护方式:氩气和循环水冷
焊枪重量:10KG
189-189-61606

1.应用行业:压力容器、锅炉、化工石油管道安装等;
2.适用范围:不锈钢、碳钢等材质焊接;
3.本设备与MWA-400一体化控制电源配套使用;
4.焊接形式:对接、插接;
5.质保期:壹年。
1.抱夹式夹具使焊钳安装方便牢靠;
2.钳头焊炬部分循环水冷,提升暂载率;
3.具有自动弧长及横摆功能,减少人工干涉;
4.适用壁厚2-25mm,开V形坡口,单面焊双面成形;
5.采用进口重点部件及材料,耐用、可靠、安全、精密。
| 适合管径 | Φ52mm-Φ168mm | 冷却方式 | 循环水冷 |
| 焊丝直径 | Φ0.8mm、Φ1.0mm | 外形尺寸 | 240mm×367mm×397mm |
| 适用材质 | 碳钢、不锈钢 | 焊钳重量 | 10KG |
| 钨极直径 | Φ2.4mm | 配套电源 | MWA-400 |
| 保护气体 | 氩气 | 焊钳手动调整角度 | 小于或等于 45° |
| 序号 | 名称 | 规格 | 单位 | 数量 | 备注 |
| 1 | 开放式管管焊机 | MWG-170 | 把 | 1 | 标配 |
| 2 | 一体化控制电源 | MWA-400 | 台 | 1 | 标配 |
| 3 | 钨针 | Ф2.4mm×150mm | 支 | 1 | 标配 |
| 4 | 钨极夹 | Ф2.4 | 个 | 1 | 标配 |
| 5 | 陶瓷喷嘴 | 定制 | 个 | 1 | 标配 |
| 6 | 内夹钳 | 定制 | 套 | 1 | 标配 |
| 7 | 外夹钳 | 定制 | 套 | 1 | 标配 |
| 8 | 外置送丝机 | 定制 | 台 | 1 | 标配 |
| 9 | 坡 口 机 | 定制 | 台 | 1 | 选配 |
| 10 | 钨极磨削机 | 定制 | 台 | 1 | 选配 |

外置送丝机

坡口机

钨针磨削机


定制服务
美焊专注管焊设备研发与制造,与焊研所及各大专院校建立了长期科研合作,可为各个领域的管焊设备进行定向开发与制造。
快速响应
美焊设立即时响应机制,技术人员可随时随地为您解答操作过程中的问题,邮件咨询内容,我们承诺24小时内进行恢复。
操作指导
针对每位客户,我们都会安排技术人员进行现场操作培训,每台设备也都会配备标准的操作培训指导书,以供查阅。
定期维保
所有设备均质保一年,且 提供定期维保服务,通过保养降低设备耗损,节省设备维修成本及运营成本。