咨询热线
189-189-61606
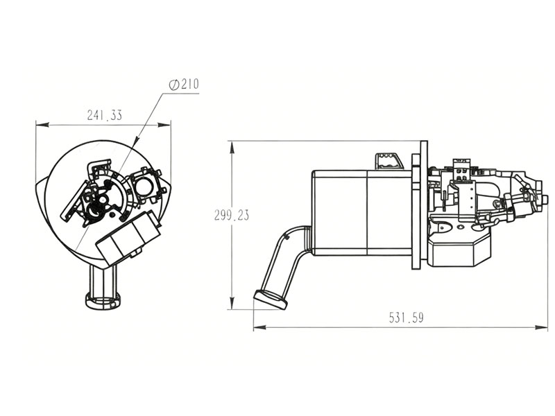
产品名称:全位置自动管板焊机
产品型号:MWP-65C
焊接方式:自熔或填丝
产品特点:全位置无缠绕焊接
保护方式:氩气和循环水冷
焊枪重量:9KG
189-189-61606

1.应用行业:锅炉、制冷、换热器、压力容器等;
2.适用范围:不锈钢、碳钢、钛合金等材质的管板焊接 ;
3.本设备与MWA-400一体化控制电源配套使用;
4.焊接形式:管伸出、管平齐、管内缩;
5.质保期:壹年。
1.采用一键式操作气动涨芯的结构将焊枪快速定位;
2.适用于管伸出、管平齐、管内缩等各种焊接形式;
3.可自熔或填丝,适用于碳钢、不锈钢等材质焊接;
4.整体结构设计紧凑,中心杆水冷直达涨芯处;
5.吊具悬挂式固定,作业空间灵活,范围广;
6.采用内置式送丝机,可安装1KG送丝盘。
| 适合管径 | 内径Φ6mm-外径Φ63mm | 冷却方式 | 循环水冷 |
| 焊丝直径 | Φ0.8mm、Φ1.0mm | 外形尺寸 | 563mm×241mm×286mm |
| 适用材质 | 碳钢、不锈钢、钛合金 | 焊枪重量 | 8KG |
| 钨极直径 | Φ2.4mm | 配套电源 | MWA-400 |
| 保护气体 | 氩气 | 焊枪手动调整角度 | 小于或等于30° |
| 序号 | 名称 | 规格 | 单位 | 数量 | 备注 |
| 1 | 全位置自动管板焊机 | MWP-65C | 把 | 1 | 标配 |
| 2 | 一体化控制电源 | MWA-400 | 台 | 1 | 标配 |
| 3 | 送丝嘴 | 定制 | 个 | 1 | 标配 |
| 4 | 钨 针 | Ф2.4mm×150mm | 支 | 1 | 标配 |
| 5 | 陶瓷喷嘴 | 定制 | 个 | 1 | 标配 |
| 6 | 钨极夹 | Ф2.4 | 个 | 1 | 标配 |
| 7 | 涨芯 | 定制 | 个 | 1 | 标配 |
| 8 | 涨芯铜套 | 定制 | 个 | 1 | 标配 |
| 9 | 钨针磨削机 | 定制 | 台 | 1 | 选配 |
| 10 | 平口机 | 定制 | 台 | 1 | 选配 |

钨针

涨芯

钨针磨削机


定制服务
美焊专注管焊设备研发与制造,与焊研所及各大专院校建立了长期科研合作,可为各个领域的管焊设备进行定向开发与制造。
快速响应
美焊设立即时响应机制,技术人员可随时随地为您解答操作过程中的问题,邮件咨询内容,我们承诺24小时内进行恢复。
操作指导
针对每位客户,我们都会安排技术人员进行现场操作培训,每台设备也都会配备标准的操作培训指导书,以供查阅。
定期维保
所有设备均质保一年,且 提供定期维保服务,通过保养降低设备耗损,节省设备维修成本及运营成本。